СНЯТО С ПРОИЗВОДСТВА
Производятся в 4-х стандартных размерных модулях: 1350 мм, 1600 мм, 2020 мм, 2490 мм (размеры приведены с учетом пластиковых боковин). За счет угловых элементов витрины выстраиваются в единую линию любой длины и свободной конфигурации.
Стандартная комплектация:
— статическое охлаждение, (0...+8 С);
— встроенный агрегат;
— фронтальное закаленное гнутое стекло;
— электронный пульт управления со встроенной функцией автоматической оттайки испарителя по температуре;
— охлаждаемый бокс;
— демонстрационная часть и столешница из нержавеющей стали;
— подсветка основания.
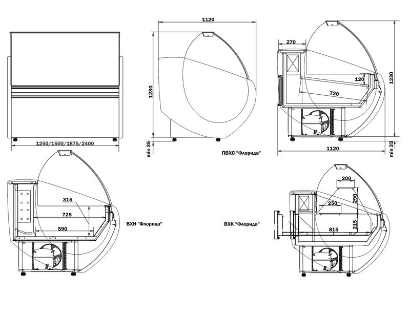
Схемы витрин холодильных модельного ряда «Флорида»
Габаритные размеры холодильной витрины «Флорида»
| Длина модуля (без боковин), мм. | — | — | — | — |
|---|---|---|---|---|
| Длина витрины габарит (с боковинами), мм. | 1350 | 1600 | 2020 | 2490 |
| Толщина двух боковин, мм | — | |||
| Ширина витрины, мм | 1110 | |||
| Высота, мм | — | |||
Технические характеристики холодильной витрины «Флорида»
| Тип витрины | ПВХС | ||||
|---|---|---|---|---|---|
| Условия внешней среды | 32°С; 55%HR | ||||
| Температура в полезном объеме, °С | 0...+8 | ||||
| Тип охлаждения | Статика | ||||
| Наличие дополнительного охлаждаемого бокса | + | ||||
Инструкция по эксплуатации холодильного оборудования ТМ Технохолод (правила эксплуатации)

